首页 > 其他 > 详细

《FPGA全程进阶---实战演练》第十章 VGA五彩缤纷

时间:2016-01-14 12:25:32      阅读:337      评论:0      收藏:0      [点我收藏+]
1基础理论部分

   VGA(video graphics array)即视频图形阵列,是IBM在1987年随PS/2一起推出的使用模拟信号的一种视频传输标准。VGA相比与现在的视频传输接口来说已经过时,不过作为最低标准,基本上制造商都会接入此接口,图11.1是常见的VGA接口。

技术分享

图11.1 VGA接口

  对于VGA15个引脚的相关说明,如下图所示。

技术分享

图11.2 VGA引脚说明

  大家做实验的时候,可能会有一个误区,那就是做实验时直接把实验板的VGA接口接到笔记本电脑上,还兴高采烈的等待着显示图像,殊不知笔记本电脑是不能作为普通显示器显示的。

  现在的显示器接口已经经过VGA,DVI(数字信号的传输),到现在的HDMI接口标准,实现数字高清影音传输的技术,因此最新的显示器基本上都会支持这几种接口。

  更多的时序标准,请参考http://tinyvga.com/vga-timing

  由三原色RGB所组成的颜色种类,由RGB888(24位真彩色),RGB565,RGB444;(本实验所采用的是RGB565),对于带宽有限,图像要求不是特别高,这个RGB565已经可以满足要求了。对于RGB565模型,位的分配,由高到低,分别为R 15..11,G 10..5, B 4..0;

  对于VGA的接口模拟电压,为0~0.714V,0代表无色,0.714代表满色,FPGA输出3.3V,所以还必须要经过DAC的转换。这些部分在做板子的时候,会继续补充、基本上现在成熟的方案,采用R-2R或者ADV7123。当然专用芯片成像质量很好。

  对于显示器而言,VGA的分辨率越高,意味着显示的图像越清晰,包含信息也越多,画质更加好,图像更加保真。由于人眼的视觉暂留,要想实现显示器的不闪烁,至少需要实现每秒25帧画面的更新。通常显示器的扫描频率都在60帧及以上。

  对于显示器而言,有的可以兼容多个分辨率模式,为了实现这种方式,许多显示器具有scaler功能,能够实现不同分辨率的兼容。

技术分享

图11.2 场同步信号

技术分享

图11.3 行和场信号工作方式

技术分享

技术分享

图11.4 常见的刷新时序表

1.2 VGA驱动电路部分

  现在主要的用于VGA驱动电路的方案,一个是采用电阻R-2R的形式,一个是采用专用芯片,这两者各有优势。

  对于VGA来说,有几路信号比较重要,RED,GREEN, BLUE信号,以及hsync 和vsync信号,其中hsync 和vsync信号可以直接和FPGA的IO口相连,但是rgb信号却不能,它需要0~0.714V模拟信号。

1.2.1 R-2R结构

技术分享

图11.5 拓扑结构

上图是视频DAC拓扑结构模式,根据上述模式计算Rx的值。

技术分享

那么大概得到Rx = 271.6387Ω;

技术分享解出技术分享,所以我们采用Ra = 500Ω,可以选中1K和2K的电阻去串并联实现R-2R模型。这里是采用2K和1K串并联的方式实现5—6—5 ,即16位格式。

技术分享

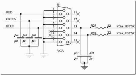
图11.7 VGA接口部分电路

技术分享

图11.8 R-2R电路

1.2.2 专用芯片结构

  对于专用芯片去用于视频操作的,我们常用ADV7123。此款芯片最大采样率为330MHz,低功耗,3路10位DAC视频转换器。图11.9是原理图部分,图11.10是实物图。

技术分享

图11.9  ADV7123原理图

技术分享

图11.10 VGA实物图

 

2 Verilog代码实现部分

  本次实验实现彩条测试功能,板卡载有一颗ADV7123芯片,FPGA驱动该芯片并产生VGA所需要的行和场信号,图11.11是RTL视图。

技术分享

图11.11 RTL视图

技术分享

  在lcd_para.v文件中定义了彩条各参数和VGA所需要的行和场信号所需要的像素数,这里利用了define和 ifdef指令,注意其用法。

技术分享

  在lcd_display.v中,将lcd_para.v文件进行调用,且在23行到26行有几种测试实验,一种是水平彩条,一种是竖直彩条,灰度图以及纹理图。

技术分享

  上述就是具体每一种测试实验所对应的生成程序。

技术分享

  在lcd_driver.v中,生成驱动ADV7123的信号和产生VGA所需要的16位数据,以及在lcd_display.v中所需要的x和y坐标值。

技术分享

行信号的生成部分。

技术分享

  场信号生成部分,75行到77行是AD7123所需要的信号,可以看到驱动是非常简单的。这里75行ADV7123的驱动时钟和主时钟相反,以此来达到在主时钟的上升沿对数据进行采样。

技术分享

  上述是对总的模块进行例化部分,注意25行到27行,由于ADV7123芯片需要RGB的格式为565,所以定义lcd_red,lcd_green,以及lcd_blue。

技术分享

  注意62行是对刚才定义的RGB信号的分配,由于lcd_rgb是16位数据,分别将高5位送给lcd_red,将中6位送给lcd_green,将低五位送给lcd_blue。

3 Modelsim仿真部分

技术分享

  上述是testbench中的时钟模拟信号和复位模拟信号的产生,其中11行是模拟25MHz时钟。

技术分享

  注意上述仿真时调用的模块名,因为我们想观察到各个信号的输出情况,所以只调用重要的两个模块lcd_driver和lcd_display即可,32行到43行是对调用模块的各个输出信号的声明,这里也可以看到,需要观察输出什么样的信号,只需定义为wire类型即可,前提是调用各个模块时,wire定义的变量必须是相对于输出的信号。

技术分享

  69行到78行是对lcd_display模块进行的例化。82行到85行是对输入信号的初始化,外部输入信号暂时没有,所有没有初始化任何信号。

  另外为了节省仿真时间在lcd_driver中将各参数适当缩小,以达到缩减仿真时间的目的,如下面所述。

技术分享

3.1 仿真波形

  图11.11是时钟的仿真波形,时钟信号周期40ns,满足25MHz。图11.12是行和场信号的仿真,可以看到6个行信号,1个场信号。这和之前的VGA时序分析是一致的。图11.13是lcd_en信号和lcd_blank信号,这两个信号都和行和场信号有关。图11.14是RGB数据仿真出的波形

技术分享

图11.11 时钟信号仿真

技术分享

图11.12 行和场仿真信号

技术分享

图11.13 使能和空白信号

技术分享

图11.14 RGB输出的波形

《FPGA全程进阶---实战演练》第十章 VGA五彩缤纷

原文:http://www.cnblogs.com/raymon-tec/p/5129583.html

(0)
(0)
   
举报
评论 一句话评论(0
关于我们 - 联系我们 - 留言反馈 - 联系我们:wmxa8@hotmail.com
© 2014 bubuko.com 版权所有
打开技术之扣,分享程序人生!