综述先看这里
第一节的1.1简单介绍了DC/DC是什么;
第二节是关于DC/DC的常见的疑问答疑,非常实用;
第三节是针对nRF51822这款芯片电源管理部分的DC/DC、LDO、1.8的详细分析,对于研究51822的人很有帮助;
第四节是对DC/DC的系统性介绍,非常全面;
第五节讲稳压电路的,没太多东西,可以跳过;
第六节讲LDO的,包含LDO和DC/DC的选型建议、LDO电容的选择等,很好;
第七八两节从专业角度给出提高电源效率的建议(目前还用不到)。
一、DC/DC转换器是什么意思
1.1、DC/DC概述
DC重所周知是直流的意思,DC/DC转换器就是指直流电之间的转换设备,在移动电话、笔计本电脑、摄影机等产品中,需将低压直流电压变成高压直流电压,于是这些场合就需要用到DC/DC转换器。
目前,自偏置同步整流已经普遍用于5V以下的低压小功率输出。自偏置同步整流用法简单易行,选择好MOSFET即告成功,此处不多述。 而对于12V以上至20V左右的同步整流则多采用控制驱动IC,这样可以收到较好的效果。ST公司的STSR2和STSR3可以很好地用于反激变换电路及正激变换电路。我们给出其参考电路。线性技术公司的LTC3900和LTC3901则是去年才推出的更优秀的同步整流控制IC.采用IC驱动的同步整流电路中,应该说最好的还是业界于2002年才正式使用的ZVS,ZCS同步整流电路,它将DC/DC转换器的效率带上了95%这一历史性台阶。
1.2、总结趋势
半导体技术进步是DC/DC技术变化的强大动力。
(1) MOSFET的技术进步给DC/DC模块技术带来的巨大变化,同步整流技术的巨大进步。
(2) Schottky技术的进步。
(3) 控制及驱动IC的进步
a. 高压直接起动
b. 高压电平位移驱动取代变压器驱动
c. ZVS,ZCS驱动器贡献给同步整流最佳效果。
d. 光耦反馈直接接口。
PWM IC经历了:电压型=>电流型=>电压型的转换,又经历了硬开关=>软开关=>硬开关的否定之否定变化。掌握优秀控制IC是制作优秀DC/DC的前提和关键。
(4) 微控制器及DSP进入DC/DC是技术发展的必由之路。
(5) 磁芯技术的突破是下一代DC/DC技术进步的关键,也是巨大难题。
二、DC/DC转换效率问题
2.1、存在的疑问及解答
三、nRF51822上的DC\DC和LDO
3.1、其内部有DC-DC,LDO,通过控制在电路设计中采用不同的连接能实现来实现不同的选择
参见:nRF51_Reference_manual v1.0.pdf,36页,11章POWER MANAGEMENT



3.2、其电源管理概述及3种不同设计的电路原理图
参见:nRF51822 PS v1.3 CN 20130903.pdf,17页,3.3节电源管理(POWER)

参见:nRF51822 PS v1.3 CN 20130903.pdf,56页,三种不同电路图的设计



四、深入与纵观DC\DC
4.1、概览DC\DC转换器·概述
DC/DC转换器为转变输入电压后有效输出固定电压的电压转换器。DC/DC转换器分为三类:升压型DC/DC转换器、降压型DC/DC转换器以及升降压型DC/DC转换器。根据需求可采用三类控制。PWM控制型效率高并具有良好的输出电压纹波和噪声。PFM控制型即使长时间使用,尤其小负载时具有耗电小的优点。PWM/PFM转换型小负载时实行PFM控制,且在重负载时自动转换到PWM控制。目前DC-DC转换器广泛应用于手机、MP3、数码相机、便携式媒体播放器等产品中。在电路类型分类上属于斩波电路。
| 中文名 | DC-DC转换器 |
| 分 类 | 升压型、降压型以及升降压型 |
| 别 称 | 开关电源或开关调整器 |
| 构 成 | 二极管,三极管,电容器等 |
4.2、概览DC\DC转换器·工作原理
DC(Direct Current)表示的是直流电源,诸如干电池或车载电池之类。家庭用的220V电源是交流电源(AC)。若通过一个转换器能将一个直流电压(3.0V)转换成其他的直流电压(1.5V或5.0V),我们称这个转换器为DC-DC转换器,或称之为开关电源或开关调整器。
4.3、概览DC\DC转换器·设计技巧
4.3.1、DC-DC电路设计至少要考虑以下条件:
1.外部输入电源电压的范围,输出电流的大小。
2.DC-DC输出的电压,电流,系统的功率最大值。
4.3.2、基于以上两点选择PWM IC要考虑:
1.PWM IC的最大输入电压。
2.PWM开关的频率,这一点的选择关系到系统的效率。对储能电感,电容的大小的选择也有一定影响。
3.MOS管的所能够承受的最大额定电流及其额定功率,如果DC-DC IC内部自带MOS,只需要考虑IC输出的额定电流。
4.MOS的开关电压Vgs大小及最大承受电压。
4.3.3、电感(L1)、二极管(CR1)、电容(C2)的选择:
1.:电感量:大小选择主要由开关频率决定,大小会影响电源纹波;额定电流,电感的内阻选择由系统功耗决定。
2.二极管:通常都用肖特基二极管。选择时要考滤反向电压,前向电流,一般情况反向电压为输入电源电压的二倍,前向电流为输出电流的两倍。
3.电容:电容的选择基于开关的频率,系统纹波的要求及输出电压的要求。容量和电容内部的等效电阻决定纹波大小(当然和电感也有关)。
4.3.4、接地环路:
DC-DC转换器为整个系统中的各个电路供电。尽管每个电路在测试台上可能表现很好,但系统整体性能却往往达不到各个电路的性能效果。为什么? 有许多潜在因素,而系统中各个电路的整体接地系统是首要原因。设计师需要非常清楚每个电路如何接地,系统中是否存在接地环路。
当两个电路和/或系统之间存在一个以上对地连接时就构成了接地环路。重复接地通道相当于形成一个接收接口信号的环形天线 (电流通过接地电阻转换成电压)。接收接地环路感应电压的后果是,随着感应电压的叠加造成系统对地基准电压不稳。这些感应噪声电压会成为整个系统响应的一部分!
此外,接地环路形成一条共用线,导致接地电流经一个以上通道回到系统对地端接地极原点。例如,多台计算机的电源通过公共办公布线配置中的接地彼此连接在一起,但也可以通过数据通信布线连接。因此,计算机彼此之间往往通过一条以上接地通道连接。多台计算机之间存在多条接地通道时,其形成的配置称为“接地环路”。每当出现接地环路时,接地基准点会接收叠加信号,形成系统干扰和噪声。
当系统中的某些组件由不同的地线,而不是系统中其他组件供电,或系统中两个电路之间对地电位不一样时,测量、通信或视频系统会产生接地环路。通常,对地连接的电位差会造成电流流动。这样会调制电路输入,正常输入中出现其他信号。图1所示例子中,两个接地仪器通过信号线接地,以及主地线互连。这种情况下,线路中1A电流会在两个仪器接地点之间形成 0.1V电压差。

由于仪器之间存在电压差,互连导线中的信号会将这种压差加入信号中,造成导线出现电压“交流声”。这是音频信号中听到60 Hz噪声 (或视频信号出现水平干扰) 的一个原因。另一个问题是信号线缆地线中流动的电流。这种电流也会传入线缆和设备。设计师总是注意接地端的接地,却往往未优化设计,从而消除本底噪声的灵敏度。因此,正确设计系统内部接地线路时,确保接地环路电流不会造成系统产生问题是最基本的要求。
另一个例子,接地环路是多个音频-可视系统组件连接在一起时的常见问题。音频系统常见的噪声往往是接地环路问题造成的。此外,可闻“交流声”也是典型的接地环路问题 (当然,这取决于所在国家使用的AC电源电压频率)。当然,接地环路问题最常见的例子是,系统使用与插座连接的仪器,而另一台仪器连接房间中其他位置不同的接地插座。
理想情况下,一个房间中的每个系统应连接到同一个接地端,信号/天线网络最终也连接到同一接地点。这是理想的,因为系统和每个仪器的接地是由同一接地基准点对点连接 (中央地线星状连接模式)。这种情况下,必须考虑某些设备 (和系统) 还采用屏蔽线链接。电流从一台设备经地线流入另一台设备,然后通过屏蔽线返回第一台设备。这个环路也会拾取附近磁场和射频发射器 (如手机) 的干扰。结果,听到被放大的不需要的信号。顺便指出,接地环路在以下情况下不会产生问题:1) 环路中的导线不传送电流,2) 环路未暴露在外部变化的磁场下,3) 附近没有射频干扰。如果地线中有电流流动,当存在一定电位差时会产生噪声干扰。此外,很小的电压差也会在信号中加入噪声。这种情况会造成音频交流声、视频干扰图像和计算机网络传输误差。
良好的模拟系统设计、模拟系统测试测量需要认真设计系统接地通道,避免出现接地环路。
五、深入与纵观稳压电路
come from{http://baike.baidu.com/view/854428.htm}
5.1、概述
在输入电压、负载、环境温度、电路参数等发生变化时仍能保持输出电压恒定的电路。这种电路能提供稳定的直流电源,广为各种电子设备所采用。Voltage Stabilizing Circuit
5.2、基本结构
调整元件、基准电压电路、取样电路、比较放大电路
5.3、稳压电源分类
稳压电源的分类方法繁多,按输出电源的类型分有直流稳压电源和交流稳压电源;按稳压电路与负载的连接方式分有串联稳压电源和并联稳压电源;按调整管的工作状态分有线性稳压电源和开关稳压电源;按电路类型分有简单稳压电源和反馈型稳压电源,等等。如此繁多的分类方式往往让初学者摸不着头脑,不知道从哪里入手。其实应该说这些看似繁多的分类方法之间有着一定的层次关系,只要理清了这个层次自然可以分清楚电源的种类了。
5.4、直流稳压器基本原理
图为典型的直流稳压器的框图。交流输入电压e1由变压器Tp变成电压e2,经整流、滤波:

后向调整电路(稳压电路)输送一个不稳定的脉动的直流电压
。因
或稳压电路输出电流
的变动而引起输出电压
变化时,调整电路使
保持原值或者只有极小的变动。调整电路中的调整管工作在线性放大区的称为线性电源,工作在非线性区的则称为开关电源。线性电源分为简单稳压电路、并联稳压电路、串联稳压电路和集成化稳压电路。
六、深入与纵观LDO
6.1、概述
LDO即low dropout regulator,是一种低压差线性稳压器,是相对于传统的线性稳压器来说的。传统的线性稳压器,如78xx系列的芯片都要求输入电压要比输出电压高出2v~3V以上,否则就不能正常工作。但是在一些情况下,这样的条件显然是太苛刻了,如5v转3.3v,输入与输出的压差只有1.7v,显然是不满足条件的。针对这种情况,才有了LDO类的电源转换芯片。

LDO 是一种线性稳压器,使用在其线性区域内运行的晶体管或 FET,从应用的输入电压中减去超额的电压,产生经过调节的输出电压。所谓压降电压,是指稳压器将输出电压维持在其额定值上下 100mV 之内所需的输入电压与输出电压差额的最小值。正输出电压的LDO(低压降)稳压器通常使用功率晶体管(也称为传递设备)作为 PNP。这种晶体管允许饱和,所以稳压器可以有一个非常低的压降电压,通常为 200mV 左右;与之相比,使用 NPN 复合电源晶体管的传统线性稳压器的压降为 2V 左右。负输出 LDO 使用 NPN 作为它的传递设备,其运行模式与正输出 LDO 的 PNP设备类似。
更新的发展使用 MOS 功率晶体管,它能够提供最低的压降电压。使用 功率MOS,通过稳压器的唯一电压压降是电源设备负载电流的 ON 电阻造成的。如果负载较小,这种方式产生的压降只有几十毫伏。
DC-DC的意思是直流变(到)直流(不同直流电源值的转换),只要符合这个定义都可以叫DC-DC转换器,包括LDO。但是一般的说法是把直流变(到)直流由开关方式实现的器件叫DC-DC。
LDO是低压降的意思,这有一段说明:低压降(LDO)线性稳压器的成本低,噪音低,静态电流小,这些是它的突出优点。它需要的外接元件也很少,通常只需要一两个旁路电容。新的LDO线性稳压器可达到以下指标:输出噪声30μV,PSRR为60dB,静态电流6μA(TI的TPS78001达到Iq=0.5uA),电压降只有100mV(TI量产了号称0.1mV的LDO)。 LDO线性稳压器的性能之所以能够达到这个水平,主要原因在于其中的调整管是用P沟道MOSFET,而普通的线性稳压器是使用PNP晶体管。P沟道MOSFET是电压驱动的,不需要电流,所以大大降低了器件本身消耗的电流;另一方面,采用PNP晶体管的电路中,为了防止PNP晶体管进入饱和状态而降低输出能力, 输入和输出之间的电压降不可以太低;而P沟道MOSFET上的电压降大致等于输出电流与导通电阻的乘积。由于MOSFET的导通电阻很小,因而它上面的电压降非常低。
如果输入电压和输出电压很接近,最好是选用LDO稳压器,可达到很高的效率。所以,在把锂离子电池电压转换为3V输出电压的应用中大多选用LDO稳压器。虽说电池的能量最後有百分之十是没有使用,LDO稳压器仍然能够保证电池的工作时间较长,同时噪音较低。如果输入电压和输出电压不是很接近,就要考虑用开关型的DCDC了,因为从上面的原理可以知道,LDO的输入电流基本上是等于输出电流的,如果压降太大,耗在LDO上能量太大,效率不高。DC-DC转换器包括升压、降压、升/降压和反相等电路。DC-DC转换器的优点是效率高、可以输出大电流、静态电流小。随着集成度的提高,许多新型DC-DC转换器仅需要几只外接电感器和滤波电容器。但是,这类电源控制器的输出脉动和开关噪音较大、成本相对较高。
近几年来,随著半导体技术的发展,表面贴装的电感器、电容器、以及高集成度的电源控制芯片的成本不断降低,体积越来越小。由于出现了导通电阻很小的MOSFET可以输出很大功率,因而不需要外部的大功率FET。例如对于3V的输入电压,利用芯片上的NFET可以得到5V/2A的输出。其次,对于中小功率的应用,可以使用成本低小型封装。另外,如果开关频率提高到1MHz,还能够降低成本、可以使用尺寸较小的电感器和电容器。有些新器件还增加许多新功能,如软启动、限流、PFM或者PWM方式选择等。
6.2、四大要素
压差Dropout、噪音Noise、电源抑制比(PSRR)、静态电流Iq,这是LDO的四大关键数据。产品设计师按产品负载对电性能的要求结合四大要素来选择LDO。在手机上用的LDO要求尽可能小的噪音(纹波),在没有RF的便携式产品需求静态电流小的LDO。
6.3、工作条件
Vin >= Vdrop + Vout。
且一般需要两个外接电容:Cin、Cout,一般采用钽电容或MLCC。
注意:LDO是稳压器。
6.4、应用
LDO的应用非常简单,很多LDO仅需在输入端及输出端各接一颗电容即可稳定工作。在LDO的应用中需要考虑压差、静态电流、PSRR等重要参数。在以电池作为电源的系统中,应当选择压差尽量低的LDO,这样可以使电池更长时间为系统供电,比如NCP600,NCP629等等。
静态电流Iq是Iquiescent的缩写,指芯片自身所消耗的电流。在一些低功耗应用中,应当尽量选择Iq小的LDO。一些工程师在设计低功耗系统时,仅考虑MCU本身消耗的电流,而忽略电源芯片上所消耗的电流,使整个系统的待机功耗不能达标,曾经见过有的工程师在低功耗系统中选用78L05为MCU提供电源,查阅数据手册可以得知78L05静态电流为1mA,不适合低功耗应用,应该选择NCP583等等。
在射频、音频、ADC转换等应用系统中,PSRR(电源纹波抑制比)是一个很重要的参数,其体现了LDO的抗噪能力,PSRR值越高LDO输出纹波越低。
|
电压输出级别
|
应用领域
|
|
1.25V
|
ARM9,FPGA、DSP等
|
|
1.8V
|
SDRAM,DDR RAM等
|
|
2.5V
|
MCU,DDR RAM等
|
|
3.0V
|
MCU,Nor Flash,Nand Flash,其他各种接口器件等
|
|
特性
|
应用方向
|
|
超低纹波,高精度
|
数据采集
|
|
低压差
|
电池供电
|
|
低静态电流
|
低功耗场合,如手持仪表
|
|
电压监控
|
嵌入系统电源管理
|
|
复位控制
|
工业控制
|
|
多通道输出
|
需要多路供电的嵌入式系统
|
七、如何解决电源管理芯片效率不高的问题?
come from{http://www.elecfans.com/dianyuan/400659.html}
[导读] DC-DC控制IC在各电子产品中应用广泛,为了统一物料,工程师往往会用自己熟悉且能输出较大电流的DC-DC芯片,不管负载大小均用一个型号一统江湖。由此可能在小负载电流时,效率不尽如人意,该怎么解决?
7.1、从效率方面考虑LDO和DC-DC转换器的选择
LDO:输入电压和输出电压差别不大,而且电流较小时,可以选择LDO芯片;由LDO的功率损耗由公式可以看出,当输入输出的压差较大,或者输出电流较大时,那么损失的功耗就很高,发热比较严重,在很多设计上不能使用,但是如果是低压差,小电流时LDO就很适合,而且价钱也相对低廉。
DC-DC转换器:输入、输出电压差值较大且输出大电流时,就一定要选择DC-DC芯片。DC-DC的功率损耗与芯片内部工艺设计相关,在不同的使用情况时效率也不同,如果选用的合理,效率可以达到90%以上,功率损耗可以做到很低,适应于各种场合,可以满足设计者的需求。
7.2、常规降压DC-DC的选择
老方案:前些年,大部分使用的DC-DC芯片由于工艺问题,效率都偏低;如,36V输入5V/3A输出的应用,大部分工程师使用的都是尾缀为2576的产品,典型效率曲线如图1所示:效率曲线从图1上可以看出,在5V输出时,输出电流无论是200mA还是3A时,效率均在80%以下,已难以满足越来越苛刻的能耗要求。而且由于功率损耗很大,因此封装大部分为TO-220或者DDPARK,体积很大,会占用很大面积的PCB。

新方案:以MPS为代表的新工艺DC-DC型号MP4423,输入电压40V,在5V输出时,效率可以达到90%以上,可满足绝大多数场合的应用。

7.3、模块式DC-DC的选择
除用芯片自己搭DC-DC方案外,如果受限于体积或项目进度时间,另一类模块式的DC-DC是比较合适的选择,如ZLG推出的ZY78xxS系列,引脚跟传统的7805兼容,体积小巧,效率普遍都在90%以上,可大大降低设计的复杂度。

八、不可忽视的电源模块的应用设计和品质!
come from{http://www.elecfans.com/dianyuan/398449_a.html}
[导读] DC-DC模块电源越来越多地应用于通信、工业自动化、电力控制、轨道交通、矿业、军工等行业。模块化的设计可以有效简化客户的电路设计,提升系统的可靠性和维护效率。那么,如何提升基于DC-DC模块的电源系统的可靠性?本文就这个主题作简要分析与探讨。
8.1、为什么需要DC-DC模块电源?
DC-DC隔离模块电源主要应用于分布式电源系统中,用以对电源系统实现隔离降低噪声、电压转换、稳压和保护功能。使用DC-DC隔离模块电源的作用如下:
第一,模块电源采用隔离式设计,可以有效隔离来自一次侧设备带来的共模干扰对系统的影响,使负载能够稳定工作。
第二,不同的负载需要不同的供电电压,例如控制IC需要5V、3.3V、1.8V等;信号采集用的运放则需要±15V;继电器则需要12V、24V;而母线电压多为24V,因此需要进行电压转换。
第三,母线电压在长距离传输过程中会存在线损,故到PCB板级时电压较低,而负载需要稳定的电压,因此需要宽压输入,稳压输出。
第四,电源需要在异常情况下,保护系统的负载和本身不坏。
8.2、如何选择高可靠性的DC-DC模块电源
8.2.1、采用成熟的电源拓扑:
电源模块的设计尽量选用成熟的电源拓扑。例如1W~2W的定压输入DC-DC电源模块选择Royer电路,而宽压输入系列则多选Flyback拓扑,部分选Forward拓扑。
8.2.2、全负载范围内高效率:
高效率意味着更低的功率损失和更低的温升,可以有效提高可靠性。在实际应用中,电源都会选择一定程度的降额设计,特别是在负载IC的功耗越来越低的今天,电源大部分时候都有可能在轻载情况下工作。因此,全负载范围内高效率对于电源系统可靠性来说是非常关键的参数,但往往被电源厂商忽略。大部分厂商为了技术手册上的参数吸引客户,往往将满载效率做到较高,但在5%~50%的负载情况下效率较低。
以金升阳的15W DC-DC模块电源VRB2412LD-15WR2为例,VRB2412LD-15WR2在额定电压24V输入时轻载10%的效率比主流同行水平高出15%,如图1和图2所示:


8.2.3、极限温度特性:
电源模块应用的地理区域非常宽广,可能有热带的酷暑,也有类似俄罗斯冬天的严寒。因此要求DC-DC模块的工作温度范围最低要求为-40℃~85℃,也有做到更好的,例如金升阳的定压R2代1W~2W工作温度可做到-40℃~105℃。如果在汽车BMS、高压母线监测应用,则需要工作温度为 -40℃~125℃,金升阳的CF0505XT-1WR2工作温度可做到125℃。
极限温度试验是最能检验电源模块可靠性的方法,例如高温老化、高温&低温带电工作性能测试、高低温循环冲击试验和长时间高温高湿测试等。正规的电源开发都会经过以上测试。因此,是否有此类测试设备也成为了判断电源厂商是否为山寨厂商的依据。
8.2.4、高隔离、低隔离电容:
医疗产品要求极低的漏电流,电力电子产品需要原边和次级之间尽量少寄生电容。这两个行业有一个共性的需求,即要求尽量高的隔离耐压和尽量低的隔离电容,用以降低共模干扰对系统的影响。如果在医疗或电力电子领域应用,1W~2W DC-DC建议选取隔离电容低于10pF的电源模块,宽压产品则尽量选取低于150pF的电源模块。
8.2.5、EMC特性:
EMC性能是电子系统正常、安全工作的保证,目前电子行业对产品的EMC性能都提出了很高的要求,客户经常抱怨因EMC处理不好导致系统的复位重启甚至是早期失效,因此优良的EMC特性是电源模块核心竞争力。
8.2.6、电源系统应用设计的可靠性:
电源本身的可靠性固然重要,但是实际上,由于电源系统工作环境的复杂性,再可靠的电源如果没有可靠的系统应用设计,最终电源还是会失效。下面介绍几种常见的电源系统应用设计的方法和注意事项。
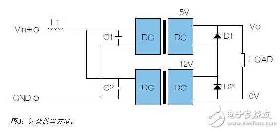
8.2.6.1、冗余设计技巧:
在可靠性要求高的场合,要求电源模块即使损坏,系统也不能断电。此时,可以采取冗余供电的方式来提升系统的可靠性。图3为其中一种常见的冗余设计方案。当一个电源模块损坏时,另外一个模块可以继续供电。

图中D1、D2建议使用低压降的肖特基二极管,以避免二极管的压降影响后端系统的工作,另外,二极管的耐压值要高于输出电压。这种方法会产生额外的纹波噪声,需外接电容来减小纹波或是加滤波电路。
8.2.6.2、降额设计:
众所周知,降额设计可以有效提高电源工作寿命,但是负载过轻使用,电源的性能又无法工作在最佳状态。例如,金升阳DC-DC模块电源建议在负载范围30%~80%内使用,此时各方面性能表现最佳。
8.2.6.3、合理外围防护设计:
电源模块应用行业非常多,应用的环境要求也不近相同,因为其通用性设计,DCDC模块电源仅能满足通用共性需求。因此当客户的应用环境要求苛刻时,需要加适当的外围电路来提升电源的可靠性。以金升阳的20W DC-DC铁路电源URB24XXLD-20WR2为例,单独模块只能通过EN50155 1.4倍输入电压Vin的1s测试,但因为体积原因没有办法通过RIA12的标准,通过添加外围电路(也可以选择金升阳EMC辅助器FC-AX3D),就能通过RIA12要求的3.5Vin/20ms的等测试要求。因而合理的外围电路设计可以使模块满足更高等级的技术规格,使之适应更恶劣的应用环境,提升电源模块的可靠性。
8.2.6.4、散热设计
工业级电源模块的损坏大约有15%是因为散热不良导致的,电源模块是朝着小型化和集成化方向发展的,但是很多应用场合电源是处于密闭的环境中连续工作的,如果积热无法散出去,电源内部的器件可能因为超过热应力而损坏。通常的散热方式有自然风冷、散热片散热和加强制性散热风扇等。热设计的几点经验分享如下:
电源模块的对流通风:对于依靠自然对流和热辐射来散热的电源模块,周围环境一定要便于对流通风,且周围无大器件遮挡,便于空气流通。
发热器件的放置:如果系统中拥有多个发热源例如多个电源模块,相互之间应尽量远离,避免相互之间热辐射传递导致电源模块过热。
合理的PCB板设计:PCB板提供了一种散热途径,在设计时就要多考虑散热途径。例如加大主回路的铜皮面积,降低PCB板上元器件的密度等,改善模块的散热面积和散热通道,例如电源模块应尽量垂直放置,可以使热量尽快向上散发;如果将DC-DC模块放在PCB的底部,则向上散发的热量会被PCB阻挡,导致产品积热无法散发出去。
更大封装尺寸和散热面积:同样功率的电源,如果可能尽量选择尺寸更大的封装和散热面更大的散热器,或者使用导热胶将电源模块外壳与机壳连接。这样电源模块拥有更大的散热面积,散热会更快,内部的温度会更低,电源的可靠性自然也就越高。
匹配性设计、安规设计:电源的输入走线尽量保持直线,避免形成环路天线吸引外界辐射干扰。同时输入线和输出线需要按照UL60950的安规要求保持合适的间距,避免耐压失效。再者,电源底板下禁止布线,特别是信号线、电源变压器的电磁线会对信号形成干扰。
另外一个设计师需注意的是,需要关注一次电源和二次电源之间,以及电源与系统工作频率的倍频错开,避开相互之间的系统匹配性问题。
[专业名词·硬件] 2、DC\DC、LDO电源稳压基本常识(包含基本原理、高效率模块设计、常见问题、基于nRF51822电源管理模块分析等)·长文
原文:http://www.cnblogs.com/zjutlitao/p/5176142.html