它是当今T C P / I P采用的主要的局域网技
术。它采用一种称作C S M A / C D的媒体接入方法,其意思是带冲突检测的载波侦听多路接入
(Carrier Sense, Multiple Access with Collision Detection)。它的速率为10 Mb/s,地址为48 bit。
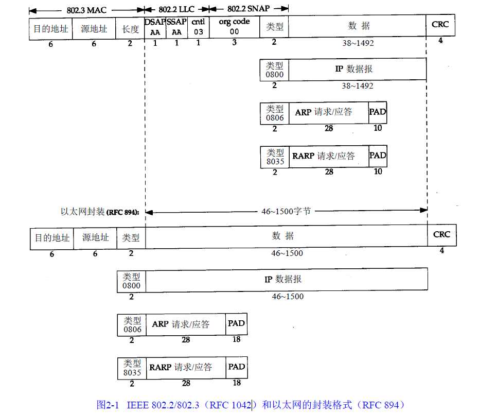
在T C P / I P世界中,以太网I P数据报的封装是在RFC 894[Hornig 1984]中定义的,IEEE 802
网络的I P数据报封装是在RFC 1042[Postel and Reynolds 1988]中定义的。主机需求R F C要求每
台I n t e r n e t主机都与一个10 Mb/s的以太网电缆相连接:
1) 必须能发送和接收采用RFC 894(以太网)封装格式的分组。
2) 应该能接收与RFC 894混合的RFC 1042(IEEE 802)封装格式的分组。
3) 也许能够发送采用RFC 1042格式封装的分组。如果主机能同时发送两种类型的分组数
据,那么发送的分组必须是可以设置的,而且默认条件下必须是RFC 894分组。
最常使用的封装格式是RFC 894定义的格式。图2 - 1显示了两种不同形式的封装格式。图
中每个方框下面的数字是它们的字节长度。

在以太网帧格式中,类型字段之后就是数据;而在8 0 2帧格式中,跟随在后面的是3字节
的802.2 LLC和5字节的802.2 SNAP。目的服务访问点( Destination Service Access Point,
D S A P)和源服务访问点( Source Service Access Point, SSAP)的值都设为0 x a a。Ct r l字段的
值设为3。随后的3个字节o rg code都置为0。再接下来的2个字节类型字段和以太网帧格式一样
(其他类型字段值可以参见RFC 1340 [Reynolds and Postel 1992])。
C R C字段用于帧内后续字节差错的循环冗余码检验(检验和)(它也被称为F C S或帧检验
序列)。
8 0 2 . 3标准定义的帧和以太网的帧都有最小长度要求。8 0 2 . 3规定数据部分必须至少为3 8字
节,而对于以太网,则要求最少要有4 6字节。为了保证这一点,必须在不足的空间插入填充
(p a d)字节。在开始观察线路上的分组时将遇到这种最小长度的情况。
原文:http://www.cnblogs.com/saryli/p/5301349.html