如有错误敬请指导!
今天来详细介绍一下TTL,COMS,USB,232,422,485电平,以及之间的转换问题.
有些地方的引脚图可能不是规范的,具体引脚以自己的模块资料为主,这篇文章着重介绍使用...
先介绍各个电平
TTL电平------我们使用的51单片机,5V供电的那种,+5V等价于逻辑“1”,0V等价于逻辑“0”,“TTL电平”最常用于有关电专业,如:电路、数字电路、微机原理与接口技术、单片机等课程中都有所涉及。在数字电路中只有两种电平(高和低)高电平+5V、低电平0V。
COMS电平------COMS电路的供电电压VDD范围比较广大约在+5~+15V均能正常工作,只是比TTL的工作电压范围广.
USB----




信号线,D+比D-大200mV时为1,D-比D+大200mV时为0,属差分信号.
RS232---

在TxD和RxD上:逻辑1=-3V~-15V逻辑0=+3~+15V一般就用这两条线通信..
RS422----



RS422采用4线传输方式,差分传输,发送数据线为T+\T-,接收数据线为R+\R-。在RS422总线中:数据“1”以两线间的电压差为+2V至+6V表示;数据“0”以两线间的电压差为-2至-6V表示.
一般对于接收端,A比B大200mV时认为为逻辑1,B比A大200mV时认为为逻辑0,属差分信号.
RS485----与RS422差不多



一般对于接收端,A比B大200mV时认为为逻辑1,B比A大200mV时认为为逻辑0,属差分信号.

(1) USB转TTL(USB差分信号转TTL电平)
最典型的应用




(2)串口(RS232)转TTL,一般老的电脑或台式机都是RS232串口,一般我们说的串口就是说的RS232.





就是通过一个非门而已,因为232是负逻辑嘛

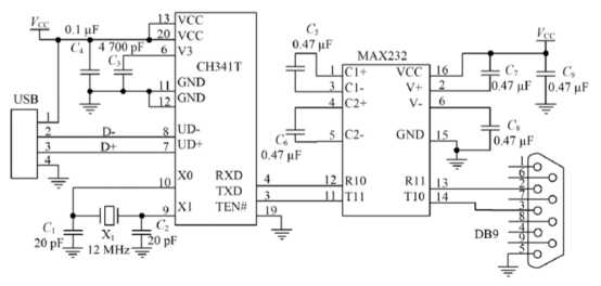
(3)USB 转 串口(RS232) 转 TTL
当然是先USB转RS232 然后 RS232 转 TTL
上面有了RS232转TTL,就不贴这方面的图了
还记得这根线吗




(4)RS422,用的最多的就是和PLC进行通信了,包括下载程序

RS422是这样子进行通信的

假设现在电脑要与PLC通信
假设与电脑的232接口

假设手头没有任何元器件只有线那么怎样和电脑232通信呢

假设422发送1,那么TX+ > TX- 而对于左面的232而言,GND>RXD,即接收到一个负电平.即接收到1.
假设232发送1,那么TXD<GND,对于右边422,,TX+ > TX-,所以接收到1.
最后看485吧!!!!!!!!
对于485也就是AB两根线的事
只说一点
以前在用单片机和西门子的PLC通信的时候,我的单片机上有一个485转TTL的芯片,不过进行通信的时候需要控制芯片的选通脚,控制是接收还是发送,当时的时候用单片机发给plc,然后plc再发过来,只不过中途需要注意的是PLC程序中停止位,如果PLC加了停止位那么单片机在后面一定要加上停止位,


TTL,COMS,USB,232,422,485电平之详细介绍及使用
原文:http://www.cnblogs.com/yangfengwu/p/5838059.html