FPGA的配置方式
FPGA的配置方式有以下几种,JTAG,AS,PS,AP,FPP等几种。
a) 3.3V,3.0V,2.5V的bank电压,TMS,TDI的上拉电压为VCCA(2.5V)。

b) 1.8V, 1.5V的bank电压,TMS,TDI的上拉电压为VCCIO。

c) 3.3V,3.0V,2.5V的bank电压的多器件的JTAG 配置方式

d) 1.8V,1.5V的bank电压的多器件的JTAG 配置方式

e) 还可以用一台微处理器对FPGA进行JTAG配置。

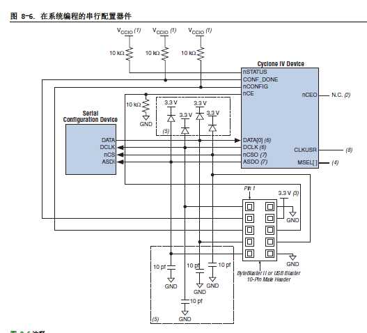
2、AS配置模式。AS配置模式是将sof文件下载外部Flash中,达到上电FPGA主动去加载程序的作用。掉电程序不丢失。
a) 单器件的AS配置方式:


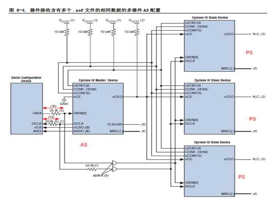
b) 多器件的AS配置方式:

i. 多个sof文件的情况:主FPGA接收一个sof,从FPGA接收另外一个sof文件的情况。也可以用于主从FPGA都接收相同sof的情况。

ii. 单个sof文件配置多个FPGA的情况。

3、AP下载模式。AP仅在Cyclone IV E中支持。(外部10pin接口座怎么连??下载的还是sof文件??)
a) 单个芯片的AP模式。

b) 多个芯片的AP模式:

4、PS配置模式:
a) 使用外部微处理器来配置单个FPGA。

b) 使用微处理器来配置多个FPGA。有从下面两种方案,区别为:上面方案是顺序加载,其中一个加载错误则整个系统就重新加载,下图是可以同时进行加载。


c) 使用下载线PS方式来配置单个FPGA。

d) 使用下载线PS方式来配置多个FPGA。

5、FPP的配置方式:
a) 使用微处理器 FPP方式配置单个FPGA。

b) 使用FPP方式配出多个FPGA。

c) 使用FPP方式配置多个相同的FPGA。

6、其他配置方式
a) 利用Jam STAPL 配置FPGA

b) 利用JRunner 软件驱动配置FPGA 器件

原文:http://www.cnblogs.com/fhyfhy/p/7269805.html