记录一下书中每章我认为的要点。
前言
作者在前言阐述了一个道理,计算机基础知识的牢固是深入学习和兴趣来源的所在。
划分一个知识范围-》基础中的基础的知识-》设定目标,这些知识可以做什么
第一章 计算机的三大原则
计算机的三个根本性基础
1、 计算机是执行输入、运算、输出的机器
2、 程序是指令和数据的集合
3、 计算机的处理方式有时与人们的思维习惯不同

计算机进化的目的是与人类更加贴近,更加贴近人的行为和思维方式。
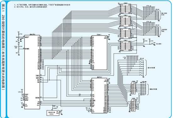
第二章 试着制造一台计算机吧
制作微型计算机,主要介绍了原件的基本知识,连接方式以及功能。
学习用的演示机配置由Z80 CPU,TC5517,Z80PIO,74367,7404,时钟发生器组成。



第三章 体验一次手工汇编
不同CPU有不同的二进制解释方法
时钟信号向CPU发送反复变换的电信号,一个变换是一个时钟周期
每个地址都标示一个内存中的数据存储单元,而这些地址所构成的范围就是内存的地址空间
汇编语言是二进制的“助记符“
汇编语言由标签(内存地址),操作码(指令),操作数(指令执行的对象)组成
操作数:CPU的寄存器,内存地址,I/O地址或者直接给出数字

HALT 停止CPU运转
Z80 CPU指令种类
1、 运算指令
2、 内存与CPU之间的输入输出指令
3、 I/O与CPU之间的输入输出指令
4、 程序流程控制指令
A寄存器,累加器,运算核心
F寄存器,标志寄存器,存储运算结果的状态(例如是否发生了进位,数字大小的比较结果等)
PC寄存器,程序指针,存储着指向CPU接下来要执行的指令地址,程序依靠不断改变的PC寄存器->时钟信号运行
SP寄存器,栈顶指针,用于创建出称为栈的临时数据存储区域
第四章 程序像河水一样流动着
介绍的程序的运行,程序看简单从顺序执行,条件分支,循环拆分程序。
介绍如何画流程图
初始化处理-》循环处理-》收尾处理
两种特殊的程序流程——中断处理和事件驱动

第五章 与算法成为好朋友的七个要点
算法:被明确定义的有限个规则的集合,用于根据有限的步骤解决问题。
要点 1:算法中解决问题的步骤是明确且有限的
要点 2:计算机不靠直觉而是机械地解决问题
辗转相除法
埃拉托斯特尼筛法
鸡兔同笼问题
线性搜索
算法哨兵的理论
第六章 与数据结构成为好朋友的七个要点
栈中数据的存取形式是LIFO(后进先出);队列中数据的存取形式是FIFO(先进先出)
|
名称 |
数据结构的特征 |
|
栈 |
把数据像小山一样堆积起来 |
|
队列 |
把数据排成一队 |
|
链表 |
可以任意的改变数据的排列顺序 |
|
二叉树 |
把数据分为两路排列 |
栈和队列的数据结构
栈:数组、栈顶指针、入栈函数、出栈函数
队列:数组、存储索引、读取索引、存储函数、读取函数
链表:应用于大量数据的处理
二叉树:提高搜索数据的速度
7个要点:变量、数组、栈、队列、结构体、自我引用的结构体、列表、二叉树
第七章 成为会使用面向对象编程的程序员吧
面向对象,把变量和函数放到类里,有很多类内置于编程语言中,程序的整体是由不同类组合起来的。
观点1:面向对象编程通过把组件拼装到一起构建程序
观点2:面向对象编程能够提升程序的开发效率和可维护性
观点3:面向对象编程是适用于大型程序的开发方法
观点4:面向对象编程就是在为现实世界建模
观点5:面向对象编程可以借助UML设计程序
观点6:面向对象编程通过在对象间传递消息驱动程序
观点7:在面向对象编程中使用继承、封装、多态
继承:通过继承已存在的类所拥有的成员而生成新的类。
封装:在类所拥有的成员中,隐藏掉那些没有必要展现给该类调用者的成员。
多态:针对同一种消息,不同的对象可以进行不同的操作。
类和对象的区别
类是对象的定义,而对象是类的实例。
类是做饼干的模具,而用这个模具做出来的饼干就是对象。

框架(Framework)通过隐藏操作系统的复杂性从而提升开发效率的程序集。
第八章 一用就会的数据库
简单介绍了dbms的基本概念和操作
事务控制
1、 BEGIN TRANSACTION(开启事务)语句,用于通知DBMS开启事务
2、 COMMIT(提交事务)语句,用于通知DBMS提交事务。
3、 ROLL BACK(事务回滚)语句,用于在事务发生问题时。
第九章 通过七个简单的实验理解TCP/IP网络
带冲突检测的载波监听多路访问CSMA/CD (小规模LAN)
载波监听:指监听网络中是否有正在使用的电信号
多路复用:多个设备可以同时访问传输介质
带冲突检测:表示这套机制会去检测因同一时刻的传输而导致的电信号冲突
MAC-ipconfig /all
TCP/IP-ipconfig
DHCP
路由-tracert,route print
DNS-nslookup
ARP-arp -a (IP-MAC转换)

第十章 试着加密数据吧
加密与解密(位移加密法,对称加密,公私钥加密)
数字签名:包含两点,发送者承认文件的内容是完整有效的,文件确实是由发送者本人发送的。
第十一章 XML究竟是什么
XML是标记语言
HTML超文本标记语言
第十二章 SE负责监管计算机系统的构建
瀑布模型
文档、审核、设计方法
信息化
设备利用率

原文:http://www.cnblogs.com/zhaijiahui/p/7625715.html