首页 > 其他 > 详细

Verilog实验 6 利用移位寄存器实现随机数发生器

时间:2017-10-25 12:28:20      阅读:455      评论:0      收藏:0      [点我收藏+]

1.概念

  通过一定的算法对事先选定的随机种子(seed)做一定的运算可以得到一组人工生成的周期序列,在这组序列中以相同的概率选取其中一个数字,该数字称作伪随机数,由于所选数字并不具有完全的随机性,但是从实用的角度而言,其随机程度已足够了。这里的"伪"的含义是,由于该随机数是按照一定算法模拟产生的,其结果是确定的,是可见的,因此并不是真正的随机数。伪随机数的选择是从随机种子开始的,所以为了保证每次得到的伪随机数都足够地"随机",随机种子的选择就显得非常重要,如果随机种子一样,那么同一个随机数发生器产生的随机数也会一样。

2.由LFSR引出的产生方法

  LSFR:线性反馈移位寄存器。

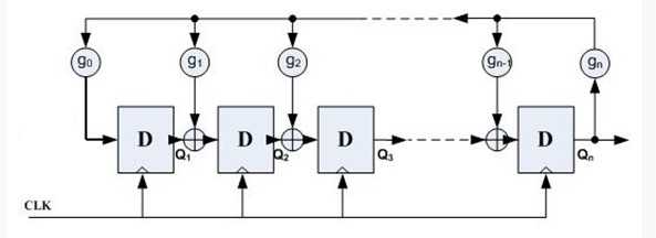
产生伪随机数的方法最常见的是利用LFSR,它是由n个D触发器和若干个异或门组成的,如下图:

技术分享

其中,gn为反馈系数,取值只能为0或1,取为0时表明不存在该反馈之路,取为1时表明存在该反馈之路;n个D触发器最多可以提供2^n-1个状态(不包括全0的状态),为了保证这些状态没有重复,gn的选择必须满足一定的条件。

---------------------------------------------------------------------------------------------------------

下面以n=3,g0=1,g1=1,g2=0,g3=1为例,说明LFSR的特性,其反馈方程为X3=X1⊕X0具有该参数的LFSR结构如下图:

技术分享

  假设在开始时,D2D1D0=111(seed),那么,当时钟到来时,有:

   D2=D1_OUT=1;

   D1=D0_OUT^D2_OUT=0;

   D0=D2_OUT=1;

即D2D1D0=101;同理,又一个时钟到来时,可得D2D1D0=001. ………………

画出状态转移图如下:

技术分享

从图可以看出,正好有2^3-1=7个状态,不包括全0;

---------------------------------------------------------------------------------------------

如果您理解了上图,至少可以得到三条结论:

  (1)初始状态是由SEED提供的;

  (2)当反馈系数不同时,得到的状态转移图也不同;必须保证gn=1,否则哪来的反馈?

  (3)D触发器的个数越多,产生的状态就越多,也就越"随机";

   

3.verilog实现

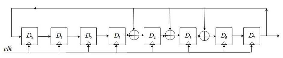
  基于以上原理,下面用verilog产生一个n=8,反馈系数为g0g1g2g3g4g5g6g7g8=101110001的伪随机数发生器,它共有2^8=255个状态,该LFSR的结构如下:

技术分享

--------------------然而我并不能理解上面这个图为什么画成这个样子-----------------------

课本534页的反馈方程:X8=X4X3X2X0,算出新的一位之后向左移。

Verilog实验 6 利用移位寄存器实现随机数发生器

原文:http://www.cnblogs.com/uangjianghui/p/7727927.html

(0)
(0)
   
举报
评论 一句话评论(0
关于我们 - 联系我们 - 留言反馈 - 联系我们:wmxa8@hotmail.com
© 2014 bubuko.com 版权所有
打开技术之扣,分享程序人生!