其实本应该从一般性的表讲起的,先说顺序表,再说链表 。但顺序表的应用范围不是很广,而且说白了就是数组的高级版本,他的优势仅在于两点:1.逻辑直观,易于理解。2.查找某个元素只需要常数时间——O(1),而与此同时,因为每个单元的物理内存都是连续的,所以不便于移动,不便于精细化操作,每次插入和删除都会带来巨额的时间开销。什么叫“巨额时间开销”? 举个栗子:我要在开头加一个数进去,那我要把所有的元素都往后移一位,空出来一个位置,这就需要穿过整个表,假如这个表有1000万个元素,大家可以自己脑补一下要花多久,答案是O(n)。这是时间的浪费。而如果用来计算稀疏多项式,比如:x^100+x^1300+x,这会造成中间有很多存储单元里存的是0,没有任何意义,但却实实在在消耗了内存,这是空间浪费。
因为插入和删除的运行时间非常慢,而且表的大小还必须事先已知,所以一般不用简单数组来实现表这种结构。

现在我们需要一种灵活的方法来使我们突破连续储存带来的限制,那怎么办呢?就不连续储存呗,把空间离散化。每一个单元里面大体分为两部分,一边存数据,另一边存下一个单元的地址,这样一来,逻辑上仍然是连续的,而在物理内存中则是星罗棋布了。这就是我们要学的链表了。这是我们要学的第一种线性结构。
现在,我们要加入或者移除一个元素的时候,就不必担心会对全体数据造成影响了,只需要改动“链条”就好了,其他不变。这样就能减少增删的时间开销了。单链表的样子就像这样:

可以脑补一列火车车厢hhhhhh

当然火车车厢是双链表,我们现在简便起见,先介绍单链表。
删除的命令可以通过修改一个指针来实现,就像这样:
插入的话,我们需要申请一个新单元,怎么申请?printf("请给我一点内存,谢谢");
显然不是的,对吧。那该怎么做?

对!malloc函数,说到这个,我多说几句啊。首先,别拼错了,我之前会手滑打错,也遇到过记不住这个函数名字的小白,咱得记住它的意思“Memory Allocate“,内存分配,这个内存从哪分配的呢,总不会是操作系统凭空变出来的,它是从“堆(Heap)”上分配来的,这个堆也是我们以后要学的一种数据结构。
接着说插入,申请一个新单元之后,我们再做两次指针调整就好了,就像这样:

重点:整个链表的核心在于指针的调整,而首先,我们要“拉住”整个链表,也就是说我们需要一个引子,来牵住整个一长串的表,这个引子就相当于火车头。因为每一个单元的物理位置都是随机的,想找到下一个只能依靠前一个单元的尾针(毕竟这是单链表)。
操作指针时一定要小心,包括调整顺序和指向。否则就会像这样

我们的目标是成为老司机,不要翻车。
好了,大概的思路我们已经捋顺了,现在来说具体怎么做。
前面提到了,我们需要一个引子,具体做法是留出一个标志节点,习惯称为表头(header)。说是节点,其实仅仅是一个指针,没有存放数据的位置。像这样
这里注意一点:表头后的一个单元,叫做头节点,这个节点有数据域,但是也不存有效数据,它仅仅是证明表的存在性。(我初学的时候因为这点没搞透彻,导致代码运行时各种bug,大家要引以为戒啊……)
接下来是代码实现,首先约定一些名字
1 2 struct Node; //先声明一个节点,后面定义 3 typedef struct Node *PtrToNode; /*声明节点指针,并且将其类型替换为PtrToNode(替换之前是struct Node*),这样做的目的是方便我们理解*/ 4 5 6 typedef PtrToNode List; //将struct Node*再次替换为List(表),进一步直观化 7 typedef PtrToNode Position;//将struct Node*再次替换为Position(位置) 8 9 struct Node{ 10 int data; 11 Position Next; 12 };
这里的List和Position有什么区别呢?可能很多人会有这个疑问,区别在于,List指表头,Position指某个单元,在后面代码中我们会有更清晰的认识,走吧,咱们继续。
现在我们来一一讨论针对链表的各个操作函数。这里多说一句,关于函数返回值的问题:因为C语言没有bool类型,也就是TRUE和FALSE,所以它用1表示真,0表示假。
(你们不要嫌我啰嗦……)
首先,判断某个表是否为空
1 2 /*如果某个表为空,返回1*/ 3 int IsEmpty(List L){ 4 return L->Next==NULL;//在最后一个单元里,后面是封口的,也就是指针域是NULL 5 }
我们还需要判断某个表是不是在末尾,这是为了作为循环的终止条件。写法上和判空没什么区别,只是分开写会更方便理解,在完整的代码里我们会感受到的,拭目以待吧。
1 2 /*如果P是在表中的末尾位置,返回1*/ 3 int IsLast(Position P) { 4 return P->Next==NULL; 5 }
这些小零碎写完之后,我们就需要把大的零件写出来了(看吧,在咱们这个领域,要搞一件工程,无论说创造零件还是拼装零件,只需要智力加持,代码就会从手中滑落而出,是不是很优雅2333)
对于大部分线性结构,我们要做的操作大体上分为:增加,删除,查找,遍历这四种,我们先写查找,因为这是删除的基础。为什么删除之前要先查找呢?两个原因,1.我们一般是告诉系统要删除的某个“数据”,也就是节点里data的值,所以要先找到这个值所在的节点是哪个,2.因为这是单链表,如果不拿到要删除元素的前驱,我们可能会丢失整个表。
删除有一个很重要的步骤是释放内存,用free函数,我们刚开始学可能会想当然,觉得直接找到那个元素,然后free一下就好了,那就会造成后面的表全部丢失,这是灾难性的后果。

想一想,假如我们直接free(Temp),A将指向一个未知的地方,后面的所有元素就丢失掉了。
所以来写一个查找前驱的函数,它返回一个前驱,假如我们给一个3,他就返回3前面那个表的位置,上面说的原因2决定了写这个函数的必要性,而原因1决定了这个函数还需要一个int型参数。
1 2 Position FindPrevious(int X,List L){ 3 Position P; //声明一个节点指针,并指向头节点(和表头一样) 4 P=L; 5 /* 2*/while (P!=NULL && P->Next->data!=X) { //P没有走到末尾,同时还没找到给定的X时 6 P=P->Next; //P向后走 7 } //走到这一步时,说明要么没找到,P=NULL(结尾处),要么找到了,P=前驱的位置 8 return P; 9 }
第二行用到“与(&&)”操作走了捷径,也就是说,如果“与”运算前半部分为假,结果就自动为假,后半部分不再执行,也就是短路操作,咱们上学期讲过。
按逻辑来说,应该紧接着写删除函数的,正好和FindPrevious相配。但是我想强调一个重要的点,一会再说删除,先说查找函数,这个和上面的区别是:这个返回”当前位置“,上面那个返回”前一个位置“。
1 Position Find(int X,List L) { 2 Position P; 3 P=L->Next; //和上面对比一下,区别在哪? 4 while (P!=NULL && X!=P->data) { 5 P=P->Next; 6 } 7 return P; 8 }
这个大体思路和上面一样,但有一个要点,这个函数的起始位置在第一个有效元素,比查找前驱的函数靠后一位,原因好理解吧,这个要查找当前位置,而不是前一个,所以从L->Next开始。
好了,我们该说删除操作了
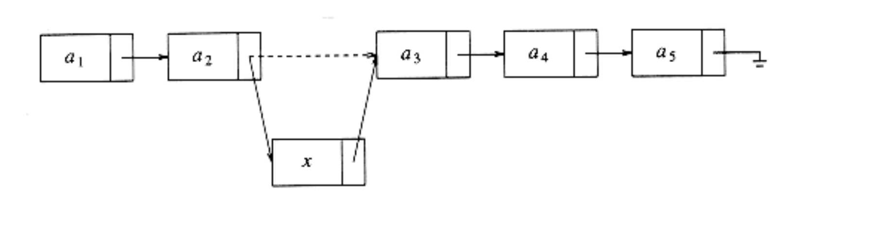
1 void Delete(int X,List L) { 2 Position P,Temp; //申请两个节点,一个用作拉住前驱,一个用作临时变量 3 P=FindPrevious(X, L); //用P拉住X的前驱 4 if (!IsLast(P)) { //确定P不是末尾,否则没法删除(末尾后面什么也没有) 5 Temp=P->Next; //用临时指针拉住当前位置,以便后面直接越过这个节点 6 P->Next=Temp->Next; //当前节点的前驱直接指向后继,绕过了当前节点 7 free(Temp); //释放当前节点内存 8 Temp->Next=NULL; //将当前节点的指针“收回来”,脑补一下飞机起落架。 9 } 10 }
这里面有两个我想说的地方
下面我们说插入函数,分为从前插入和从后插入,emmmm好污的感觉(捂脸),向前插入的一个特点是,表头位置不变,而向后插入需要不断更新Position。
先说从前插入,分为三步:
(划掉)
其实是:
1 2 void InsertBefore(int X,Position P){ 3 Position NewNode; //用一个临时变量,用以“拴住”新单元 4 NewNode=(List)malloc(sizeof(struct Node)); //申请内存,List相当于struct Node* 5 NewNode->data=X; //将数据填入新单元 6 NewNode->Next=P->Next; //与后方单元相连 7 P->Next=NewNode; //与前方单元相连,这两行顺序不能反,原因…你们试试就知道了 8 }
是这个样子

这种情况数组的元素是逆序的。
再说向后插入
1 void PushBack(int X,Position P) { 2 Position NewNode; //声明一个新的节点指针 3 NewNode=(Position)malloc(sizeof(struct Node));//分配内存 4 NewNode->Next=NULL; //新节点指针域封闭 5 NewNode->data=X; //数据装填 6 while(!IsLast(P)) //通过循环走到整个链表的末尾 7 P=P->Next; 8 P->Next=NewNode; //将新节点的地址交给原链表末尾,从尾部链接。 9 }
这个更容易理解。
再写一个遍历函数,用于打印所有的元素
1 void Traverse(List L){ 2 while (L->Next!=NULL) { 3 printf("%d ",L->Next->data); 4 L=L->Next; 5 } 6 printf("\n"); 7 }
下面是用于演示的主程序,根据自己的需要随意往里面增减部件吧
1 int main(){ 2 int i; 3 List L=(List)malloc(sizeof(struct Node)); 4 L->Next=NULL; 5 printf("Input amount of lists\n"); 6 scanf("%d",&i); 7 8 while (i--) { 9 int n; 10 scanf("%d",&n); 11 PushBack(n, L); 12 } 13 Traverse(L); 14 printf("Which item would you like to remove?\n"); 15 scanf("%d",&i); 16 Delete(i, L); 17 printf("\n"); 18 printf("The current linked lists are : "); 19 Traverse(L); 20 }
其实每个程序员都是魔法师,程序和算法就是现代的魔法,努力修炼自己的法术吧。
下一篇写游标实现。
p.s.为了方便大家理解,我会在每一行代码后面写注释
pp.s 数据结构是不依赖于具体实现的,所以教科书里用一般性的ElemType表示数据类型,我这里简单起见,全部用int表示
原文:http://www.cnblogs.com/hongshijie/p/7747113.html