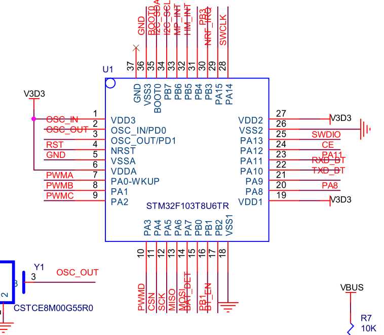
原理图所示:

BAT_DET 接到PB0 引脚,VSYS 是直流3.7V的电压。再来看下103的adc转换和引脚GPIO的关系

我们直接选用ADC1 根据上表格只能使用通道8
下面给我常用的ADC1寄存器配置和使用实验
1 #include "ADC.h" 2 3 4 void ADCInit(void) 5 { 6 7 ADC_InitTypeDef ADC_InitStructure; 8 GPIO_InitTypeDef GPIO_InitStructure; 9 10 RCC_APB2PeriphClockCmd(RCC_APB2Periph_GPIOB |RCC_APB2Periph_ADC1, ENABLE ); //ʹÄÜADC1ͨµÀʱÖÓ 11 12 RCC_ADCCLKConfig(RCC_PCLK2_Div6); //ÉèÖÃADC·ÖƵÒò×Ó6 72M/6=12,ADC×î´óʱ¼ä²»Äܳ¬¹ý14M 13 14 //PB0 ×÷ΪģÄâͨµÀÊäÈëÒý½Å 15 16 GPIO_InitStructure.GPIO_Pin = GPIO_Pin_0; 17 GPIO_InitStructure.GPIO_Mode = GPIO_Mode_AIN; //Ä£ÄâÊäÈëÒý½Å 18 GPIO_Init(GPIOB, &GPIO_InitStructure); 19 20 ADC_DeInit(ADC1); //¸´Î»ADC1,½«ÍâÉè ADC1 µÄÈ«²¿¼Ä´æÆ÷ÖØÉèΪȱʡֵ 21 22 ADC_InitStructure.ADC_Mode = ADC_Mode_Independent; //ADC¹¤×÷ģʽ:ADC1ºÍADC2¹¤×÷ÔÚ¶ÀÁ¢Ä£Ê½ 23 ADC_InitStructure.ADC_ScanConvMode = DISABLE; //Ä£Êýת»»¹¤×÷ÔÚµ¥Í¨µÀģʽ 24 ADC_InitStructure.ADC_ContinuousConvMode = DISABLE; //Ä£Êýת»»¹¤×÷ÔÚµ¥´Îת»»Ä£Ê½ 25 ADC_InitStructure.ADC_ExternalTrigConv = ADC_ExternalTrigConv_None; //ת»»ÓÉÈí¼þ¶ø²»ÊÇÍⲿ´¥·¢Æô¶¯ 26 ADC_InitStructure.ADC_DataAlign = ADC_DataAlign_Right; //ADCÊý¾ÝÓÒ¶ÔÆë 27 ADC_InitStructure.ADC_NbrOfChannel = 1; //˳Ðò½øÐйæÔòת»»µÄADCͨµÀµÄÊýÄ¿ 28 ADC_Init(ADC1, &ADC_InitStructure); //¸ù¾ÝADC_InitStructÖÐÖ¸¶¨µÄ²ÎÊý³õʼ»¯ÍâÉèADCxµÄ¼Ä´æÆ÷ 29 30 ADC_Cmd(ADC1, ENABLE); //ʹÄÜÖ¸¶¨µÄADC1 31 32 ADC_ResetCalibration(ADC1); //ʹÄܸ´Î»Ð£×¼ 33 34 while(ADC_GetResetCalibrationStatus(ADC1)); //µÈ´ý¸´Î»Ð£×¼½áÊø 35 36 ADC_StartCalibration(ADC1); //¿ªÆôADУ׼ 37 38 while(ADC_GetCalibrationStatus(ADC1)); //µÈ´ýУ׼½áÊø 39 40 } 41 42 u16 GetADCValue(u8 chose) 43 { 44 ADC_RegularChannelConfig(ADC1, chose, 1, ADC_SampleTime_239Cycles5 ); //ADC1,ADCͨµÀ,²ÉÑùʱ¼äΪ239.5ÖÜÆÚ 45 46 ADC_SoftwareStartConvCmd(ADC1, ENABLE); //ʹÄÜÖ¸¶¨µÄADC1µÄÈí¼þת»»Æô¶¯¹¦ÄÜ 47 48 while(!ADC_GetFlagStatus(ADC1, ADC_FLAG_EOC ));//µÈ´ýת»»½áÊø 49 50 return ADC_GetConversionValue(ADC1); //·µ»Ø×î½üÒ»´ÎADC1¹æÔò×éµÄת»»½á¹û 51 52 }
1 #ifndef __ADC_H 2 #define __ADC_H 3 4 #include "sys.h" 5 void ADCInit(void); 6 u16 GetADCValue(u8 chose); 7 8 #endif
1 #include "sys.h" 2 #include "usart.h" 3 #include "delay.h" 4 #include "ADC.h" 5 6 #define LED0 PAout(8)// DS0 7 #define LED1 PBout(1)// DS1 8 #define LED2 PBout(3)// DS1 9 #define LED3 PAout(11)// DS1 10 11 12 13 int main(void) 14 { 15 16 u16 WADC; 17 float fadc; 18 Stm32_Clock_Init(9); 19 delay_init(72); 20 uart_init(); 21 ADCInit(); 22 while(1) 23 { 24 WADC = GetADCValue(ADC_Channel_8); 25 fadc =(float)WADC*(3.3/4096); 26 printf("V1-2 adc : %f \r\n",fadc); 27 delay_ms(1000); 28 } 29 return 0; 30 31 } 32 33 34 35
原文:https://www.cnblogs.com/tengye/p/11511816.html