BJT(Bipolar Junction Transistor)从功能上可以看成是两个二极管背靠背的串联在一起。

然而在实际的制造过程中,

我们把晶体管比作两个二极管时候,是指基极-射极二极管和基极-集电极二极管。
NPN型二极管与PNP型二极管
根据二极管的单向导电性,下面的连个例子第一个可以有电流,第二个没有电流(基极-集电极二极管时反偏)。
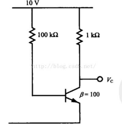
现在我们思考下面的三极管的接法,注意在基极和集电极都有电源。

当基极和集电极都接有电源时,电路中的电流就反应出三极管的关键特性。称作晶体管动作(如果晶体管的基极电流在流动,那么集电极电流也在流动),电流如图所示:

从图中我们注意到:基极电流引起了集电极电流的流动(如果没有基极电流,也没有集电极电流)。在基极和集电极之间没有电流。
晶体管属性之一是---集电极电流和基极电流之比是常数。集电极电流大于基极电流。两个电流之比称作晶体管的电流增益。

改变β或者改变Rb的值,可以改变集电极电流,当基极电流足够大时候,以至于在给定的集电极电阻和供电电压情况下,集电极的电压为0。集电极的电流最大,这种状态称为饱和。

三极管的导通(ON)
由于晶体三极管开关在功能上等效于闭合的开关。因此集电极电压和发射极电压相同。在晶体管导通以后发射极电压为零。在实际的应用中,晶体管的集电极和发射极之间存在很小的压降。在此讨论时候可以忽略,因此将集电极电压记为0v。

如果已知Vs和Rc。求晶体管导通时候的Rb的值。
根据集电极-发射极之间的压降为0,可以求出集电极电流。根据集电极电流和基极电流的关系得到基极电流。Vs-0.7的电压是Rb的电压。根据欧姆定律,可以求出Rb。
三极管的关断。如果三极管是断开的,那么没有电流流过负载(即集电极电流为零)。
当基极电流为零时,没有基极电流的出发,则集电极的电流就为零。当基极未接电压时候,为了确保晶体管关断,可以在电路中增加一个电阻(R2),通过该电阻,基极就和地0V相连。因此基极不可能出现电流。(因为没有电流流过R2,因此R2无压降,基极电压等于0V)。实际的电路中R2的取值在1kΩ-1MΩ。

分析三极管的导通和关断

当开关在A处时,存在基极有电流,则三极管导通(ON)
当开关在B处时,不存在基极电流,则三极管关断(OFF)
很多类型的电子电路都包含多个开关晶体管,用一个晶体管控制其他晶体管的导通和关闭。

分析过程:当开关位于A处的时候,产生基极电流,Q1导通,使得Q1的集电极的电流经过发射极到地,不经过Q2的基极,所以Q2的基极没有电流,因此Q2关断,灯泡熄灭。同理当开关位于B处时候,Q1的基极无电流,Q1关断。使得Q1的集电极电流流经Q2的基极,Q2导通,灯泡变亮。
版权声明:本文为CSDN博主「谦190」的原创文章,遵循 CC 4.0 BY-SA 版权协议,转载请附上原文出处链接及本声明。
原文链接:https://blog.csdn.net/u013355826/article/details/52600484
原文:https://www.cnblogs.com/Rane/p/11829283.html