DDR SDRAM接口的示意图:

CAC总线表示Command,Address,Control Pin,时序相对简单,单向单周期,通过以下命令约束:
create_generated_clock -name DDRCLK \-source [get_pins UPLL0/CLKOUT] \-divide_by 1 \[get_ports DDRCLK]set_output_delay -max 0.75 -clock DDRCLK [get_ports CAC]set_output_delay -min -0.75 -clock DDRCLK [get_ports CAC]
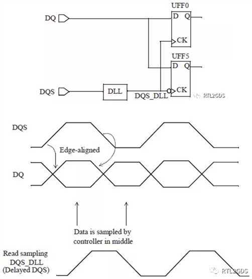
DQ和DQS是同步对齐的,这是DDR的特点。DQS作为DQ的采样时钟,保证高速采样频率。
在进行读操作时,对应的电路结构和波形如下图:

可以这样定义:
#工作频率200MHzcreate_clock -period 5 -name DQS [get_ports DQS]#上升沿采样时的delayset_input_delay 0.4 -max -clock DQS [get_ports DQ]set_input_delay -0.4 -min -clock DQS [get_ports DQ]#下降沿采样时的delayset_input_delay 0.35 -max -clock DQS -clock_fall [get_ports DQ]set_input_delay -0.35 -min -clock DQS -clock_fall [get_ports DQ]#launch和capture在同一个沿set_multicycle_path 0 -setup -to UFF0/Dset_multicycle_path 0 -setup -to UFF5/D
在进行写操作时,对应的电路结构和波形如下图:

可以这样定义:
create_clock -period 3 [get_ports CLK2X]create_generated_clock -name pre_DQS \-source CLK2X \-divide_by 2 \[get_pins UFF1/Q]create_generated_clock -name DQS \-source UFF1/Q \-edge {1 2 3} \-edge_shift {1.5 1.5 1.5} \[get_ports DQS]set_output_delay -clock DQS -max 0.25 -rise [get_ports DQ]set_output_delay -clock DQS -max 0.4 -fall [get_ports DQ]set_output_delay -clock DQS -min -0.15 -rise [get_ports DQ]set_output_delay -clock DQS -min -0.12 -fall [get_ports DQ]
总之,DDR接口的时序SDC还算复杂,值得多研究一会。
原文:https://www.cnblogs.com/lelin/p/12652460.html