课本P44

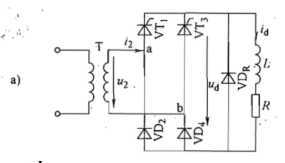
晶闸管处于断态时,电路中无电流,负载电阻两端电压为零,u2全部施加在VT两端。
如在u2正半周晶闸管承受正向阳极电压期间给VT门极加触发脉冲,则VT开通。
式3-1:\[{U_d} = \frac{{\sqrt 2 {U_2}}}{{2\pi }}(1 + \cos \alpha )\]
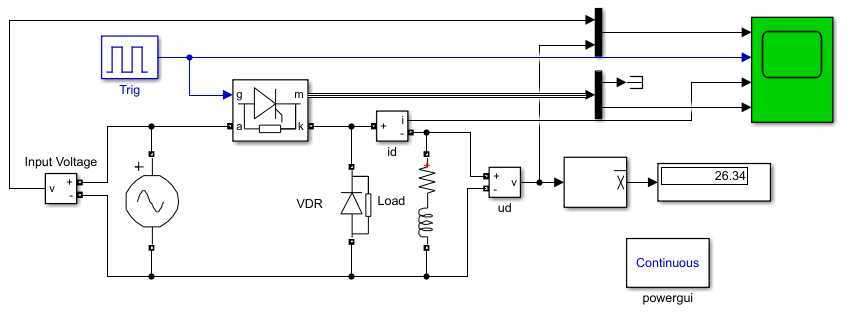
模型:

得到输出如下:

按照公式计算输出电压平均值为27.2V,实际输出电压均值26.9V,这是由晶闸管的导通压降引起的。
阻感负载:
课本P45

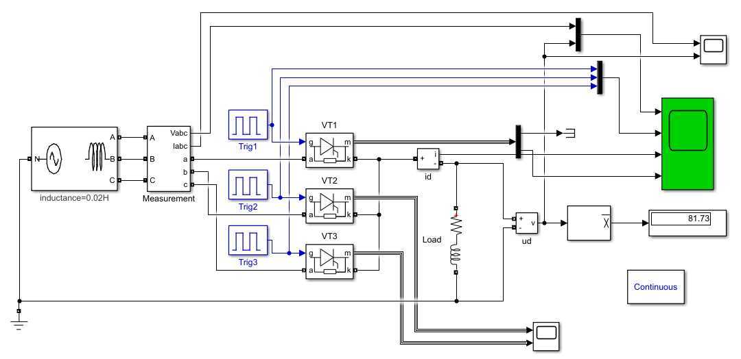
到u2由正变负的过零处,电流id已经处在减小的过程中,但尚未降到零,因此VT保持通态。此后,电感L中储存的能量逐渐释放,直至id过零点处晶闸管关断并立即承受反压。
电阻5Ω,电感0.02H,输出波形如下。

续流二极管:
课本P46

与没有续流二极管时的情况相比,在u2正半周时两者的工作情况是一样的;当u2过零变负时,VDR导通,ud为零。此时负的u2通过VDR向VT施加反压使其关断,L中储存的能量保证了电流id在L-R-VDR回路中流通,此过程通常称为续流。
为观察电流连续的情况,将L改为0.05H,同时添加了二极管,如下图所示。

波形:

课本P47

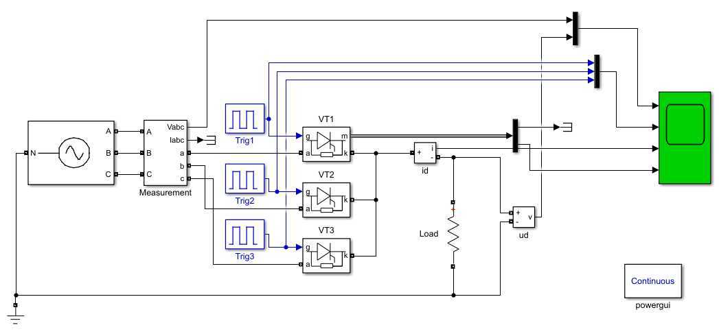
在单相桥式全控整流电路中,晶闸管VT1和VT4组成一对桥臂,VT2和VT3组成另一对桥臂。在u2正半周,若给VT1和VT4加触发脉冲,VT1和VT4即导通,电流经VT1、R和VT4流动。在u2负半周,VT2和VT3导通。
式3-9:\[{U_d} = \frac{{\sqrt 2 {U_2}}}{\pi }(1 + \cos \alpha )\]
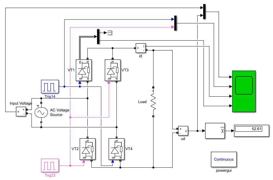
模型:


按照公式计算输出电压平均值为54.3V,实际输出电压均值52.6V,这是由晶闸管的导通压降引起的。
阻感负载:
课本P49

加入0.05H电感。

带反电动势:
课本P49
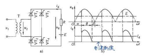
当负载为蓄电池、直流电动机的电枢等时,负载可以看做是一个直流电压源,对于整流电路来说,它们就是反电动势负载。
当u2瞬时值的绝对值大于反电动势E时,才有晶闸管承受正电压,有导通的可能;导通后直到u2绝对值降至E,id为0,晶闸管关断。

电阻+50V电压源:

电容滤波:(不可控)
近年来,在交-直-交变频器、不间断电源、开关电源等应用场合中,大多采用不可控整流电路经电容滤波后提供直流电源,供后级的逆变器、斩波器使用。
并0.01F电容,初始电压80V,避免电流过冲。

u2小于ud时,开关管不导通,电容C向负载放电,提供负载所需电流,同时ud下降;u2超过ud后,交流电源向电容充电,同时向负载供电。
输出电压93.3V,有了明显的提高。
输出波形:

测量:(为测量更加准确,晶闸管正向压降改为0V)

测得$\delta $为0.003s,折合电角度54度;$\theta $为0.002s,折合电角度36度。
式3-44、3-45:
\[\pi - \theta = \delta + \arctan (\omega RC)\]
\[\frac{{\omega RC}}{{\sqrt {{{(\omega RC)}^2} + 1} }}{e^{ - \frac{{\arctan (\omega RC)}}{{\omega RC}}}}{e^{ - \frac{\delta }{{\omega RC}}}} = \sin \delta \]
由上式计算如下\[\omega RC = 2\pi \times 50 \times 5 \times 0.01 = 15.71\]
\[0.907{e^{ - \frac{\delta }{{15.71}}}} = \sin \delta \]

解得$\delta = {58^ \circ }$、$\theta = {36^ \circ }$。
课本P51

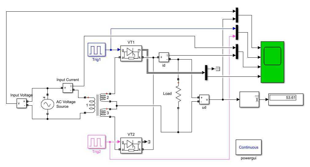
变压器T中心带抽头,在u2正半周,VT1工作,变压器二次绕组上半部分流过电流;u2负半周,VT2工作,变压器二次绕组下半部分流过反方向的电流。
单相全波与单相全控桥式从直流输出端或从交流输入端看均是基本一致的。
模型:

波形:

课本P52


在单相桥式全控整流电路中,每一个导电回路中有两个晶闸管,即用两个晶闸管同时导通以控制导电的回路,实际上为了对每个导电回路进行控制,只需要一个晶闸管就够了,另一个晶闸管可以用二极管代替,从而简化了整个电路。

半控电路与全控电路在电阻负载时的工作情况相同。阻感负载时,u2过零变负时,因电感作用使电流连续,但是由于电压变负,VD4关断,电流改由VT1和VD2续流,所以ud为0,不会像全控整流电路那样出现负的ud。
波形:

课本P53

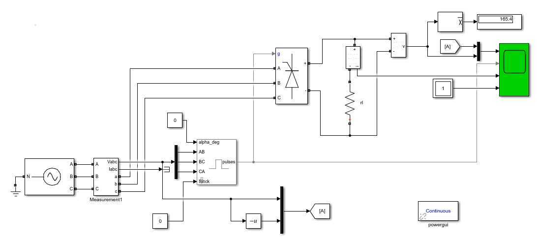
$\alpha = {0^ \circ }$(相当于将晶闸管换为二极管)时电路为三相半波不可控整流电路。为三个二极管对应的相电压中哪一个大,则该相对应的二极管导通,并使另两相的二极管承受反压关断,输出整流电压即为该相的相电压。因此,ud波形为三个相电压在正半周期的包络线。
模型:

输出波形如下:

$\alpha = {30^ \circ }$和$\alpha = {60^ \circ }$时的情况:


整流电压平均值计算公式(式3-18、3-19):
\[{U_d} = \frac{{3\sqrt 6 }}{{2\pi }}{U_2}\cos \alpha ,\alpha \le {30^ \circ }\]
\[{U_d} = \frac{{3\sqrt 2 }}{{2\pi }}{U_2}[1 + \cos (\frac{\pi }{6} + \alpha )],\alpha > {30^ \circ }\]
| ${U_d}$理论值 | ${U_d}$测量值 | |
| $\alpha = {0^ \circ }$ | 82.70 | 81.73 |
| $\alpha = {30^ \circ }$ | 71.62 | 70.68 |
| $\alpha = {60^ \circ }$ | 47.74 | 47.05 |
阻感负载:
如果负载为阻感负载,且L值很大,则整流电流的波形基本平直,流过晶闸管的电流接近矩形波。
加入0.05H电感。

课本P56


$\alpha = {0^ \circ }$(相当于将晶闸管换为二极管),带电阻负载时:对于共阴极组的三个晶闸管,阳极所接交流电压值最大的一个导通;对于共阳极组的三个晶闸管,阴极所接交流电压值最小的一个导通。因此,任意时刻共阳极组和共阴极组中各有一个晶闸管处于导通状态,施加于负载上的电压为某一线电压。
模型:

输出波形:

$\alpha = {30^ \circ }$时的情况:

$\alpha = {60^ \circ }$和$\alpha = {90^ \circ }$时的情况:


整流电压平均值计算公式(式3-26、3-27):
\[{U_d} = \frac{{3\sqrt 6 }}{\pi }{U_2}\cos \alpha ,\alpha \le {60^ \circ }\]
\[{U_d} = \frac{{3\sqrt 6 }}{\pi }{U_2}[1 + \cos (\frac{\pi }{3} + \alpha )],\alpha > {60^ \circ }\]
| ${U_d}$理论值 | ${U_d}$测量值 | |
| $\alpha = {0^ \circ }$ | 165.40 | 165.40 |
| $\alpha = {30^ \circ }$ | 143.24 | 143.20 |
| $\alpha = {60^ \circ }$ | 82.70 | 82.69 |
| $\alpha = {90^ \circ }$ | 22.16 | 22.16 |
阻感负载:
加入0.05H电感。

电容滤波:(不可控)


课本P61

在该电路的一个周期内有三次晶闸管换向过程,在换向中存在两个晶闸管同时导通的时段,此时在回路中产生环流。
模型:

在三相电压源中设置电感:
![]()
首先来看一下没有电感的换向波形(晶闸管VT2、VT3的电压和电流):

可以看到VT2关断时VT3立即导通,没有延迟。
然后是加入电感的波形:

VT2和VT3同时导通的时间为0.004s,折合为电角度为$0.004 \times 50 \times 360 = {72^ \circ }$。
三相半波换向重叠角公式(表3-2)
\[\cos \alpha - \cos (\alpha + \gamma ) = \frac{{2{X_B}{I_d}}}{{\sqrt 6 {U_2}}}\]
这里\[\alpha = 0\]
\[{X_B} = \omega L = 2\pi \cdot 50 \cdot 0.02 = 2\pi \]
测得\[{I_d} = 10.12\]
\[{U_2} = \frac{{100}}{{\sqrt 2 }}\]
解得\[\alpha = {74.6^ \circ }\]
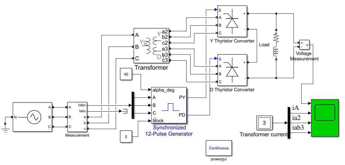
课本P76

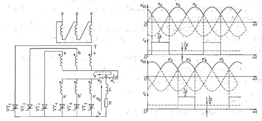
整流变压器的二次侧每相有两个匝数相同、极性相反的绕组,分别接成两组三相半波电路。变压器二次侧两绕组极性相反可以消除铁芯的直流磁化,设置电感量为LP的平衡电抗器是为保证两组三相半波整流电路能同时导电,每组承担一半负载。因此,与三相桥式电路相比,在采用相同晶闸管的条件下,双反星形电路的输出电路可增大一倍。
模型:

波形:



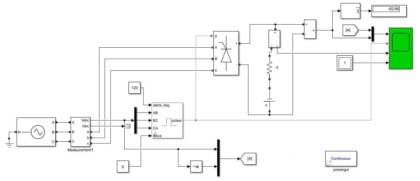
逆变和整流的区别仅仅是控制角的不同。$0 < \alpha < \frac{\pi }{2}$,电路工作在整流状态,$\frac{\pi }{2} < \alpha < \pi $时,电路工作在逆变状态。为实现逆变,需要一个反电动势。
以三相桥式为例,模型如下,同三相整流电路非常类似,只是添加了反电动势和改触发角为120度。

波形如下:

原文:https://www.cnblogs.com/dingdangsunny/p/12923815.html