从物理层抽象出来状态机,以按键消抖为例

关于矩阵按键
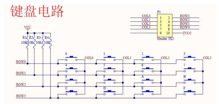
通过原理图我们可以看出,可以通过八个引脚得到一个4X4的矩阵键盘,将行(row)连接上拉电阻,在列(col)连接到地,这样在没有按键按下时行(row)维持在高电平,有按键按下时,某一行的电平为0
如何实现矩阵电路的检测呢,或者说如何知道按下的是哪一个按键呢,注意是一个键?
这里要引入一个扫描的概念
将行设置为输入,列设置为输出,建立一个状态机
如果行的输入不都为1,那么启动扫描,即将列值输出设置为
col <= 4‘b0111; col <= {col[2:0], col[3]}
即将从来循环左移,列值每变化一次,将输入的行值寄存下来
检测行值,记录行值的变化,注意不是此时的行值,是变化
也就是说,要记住被消抖后的行值,此时的行值,此时的列值
行列确定后,就可以确定是哪一个键被按下
对于两个键也是可以被检测出来的,如果检测多个同时被按下,只不过寄存器要多一些
本人不为这句话负责:最多能同时检测多少个按键呢?我感觉是十六个,没有理论验证过,有兴趣的可以验证一下,但是复杂度会上升不少
这里只说只能检测一个按键的状态机,如果检测器发现有两个键被按下,则为检测失败
但也有检测失败的时候,比如恰好在检测第二行时发生抖动,检测失败则状态机进入等待释放状态,检测下一次
下图为矩阵按键的状态跳转图
仿真模型
//file name tb_key_4x4;
`timescale 1ns/1ns
`define clk_period 20
module tb_key_4x4();
reg clk;
reg rst;
wire [3:0]key_row;
wire [3:0]key_col;
wire key_flag;
wire [3:0]key_value;
key_4x4 key_4x4(
.clk(clk),
.rst(rst),
.key_row(key_row),
.key_col(key_col),
.key_flag(key_flag),
.key_value(key_value)
);
key_model key_mode_inst(key_col,key_row);
initial clk = 1‘b1;
always#(`clk_period/2) clk = ~clk;
initial begin
rst = 1‘b0;
#200
rst = 1‘b1;
end
endmodule
//end file
//file name key_model;
module key_model(
key_col,
key_row
);
input [3:0]key_col;
output reg [3:0]key_row;
reg [3:0]key_row_r;
reg key_row_sel;
reg [1:0]now_col, now_row;
initial begin
now_col = 0;
now_row = 0;
key_row_sel = 0;
end
initial begin
key_row = 4‘b1111;
#50_000_000;
press_key(0,3);
press_key(1,2);
press_key(2,1);
press_key(3,0);
end
reg [15:0] shake_time = 0;
task press_key;
input [1:0]col,row;//注:不用在任务函数外进行定义
begin
key_row_sel = 0;
key_row_r = 4‘b1111;
key_row_r[row] = 0;
now_row = row;
repeat(20)begin
shake_time = {$random}%65536;
#shake_time;
key_row_r[row] = ~key_row_r[row];
end
key_row_sel = 1;
now_col = col;
#50_000_000;
key_row_sel = 0;
key_row_r = 4‘b1111;
repeat(20)begin
shake_time = {$random}%65536;
#shake_time;
key_row_r[row] = ~key_row_r[row];
end
key_row_r = 4‘b1111;
#50_000_000;
end
endtask
always@(*)
if(key_row_sel)
case(now_row)
2‘d0: key_row = {1‘b1,1‘b1,1‘b1,key_col[now_col]};
2‘d1: key_row = {1‘b1,1‘b1,key_col[now_col],1‘b1};
2‘d2: key_row = {1‘b1,key_col[now_col],1‘b1,1‘b1};
2‘d3: key_row = {key_col[now_col],1‘b1,1‘b1,1‘b1};
endcase
else
key_row = key_row_r;
endmodule
//end file
task的写法
reg key_in;
reg [15:0]shake_time;
task key_press;
begin
key_in = 1‘b1;
repeat(20)begin
shake_time = {$random}%65536;
#shake_time;
key_in = ~key_in;
end
key_in = 1‘b0;
#50_000_000;
end
endtask
task key_release;
begin
key_in = 1‘b0;
repeat(20)begin
shake_time = {$random}%65536;
#shake_time;
key_in = ~key_in;
end
key_in = 1‘b1;
#50_000_000;
end
endtask
//矩阵按键仿真
//写这个是因为task的有输入的
task press_key
input [1:0]row,col;
begin
key_row_sel
end
endtask
原文:https://www.cnblogs.com/HLhello/p/13019179.html