首页 > 其他 > 详细

NI LabVIEW 编程规范

时间:2020-09-14 12:49:29      阅读:63      评论:0      收藏:0      [点我收藏+]
  1. LabVIEW程序编写应该遵循哪些规范?
  2. 遵循这些规范有什么好处?
  3. 具体细节是什么?

针对上面三个问题一一解答:

一.LabVIEW程序编写应该遵循哪些规范?

(1)前面板、后面板控件整齐,尽可能在一个界面内显示所有控件。

(2)数据连线横平竖直,有长走线,需添加注释。

(3)程序代码添加注释,尤其是重要功能模块

(4)VI图标有含义,VI有描述信息

(5)程序有错误处理机制

(6)避免过多的属性节点,大数组的强制类型转换。

 

二.遵循这些规范有什么好处?

(1)提高可读性

(2)提高可维护性

(3)提高程序运行效率

 

三.具体细节是什么?

(1)前面板、程序框图中控件的对齐。LabVIEW中提供了控件的对齐工具栏,包括左右居中对齐,控件等间距分布、统一控件的长度和宽度等,利用对齐工具栏,可以将前后面板的控件以非常有序的方式组织起来。如图1中前面板控件采用右对齐并且控件之间等间距放置,程序框图中输入控件右对齐,并尽量保持控件垂直方向等间距。

 技术分享图片

图1 :控件对齐

(2)LabVIEW是基于数据流的,框图中的连线表示数据流的走势方向。因此节点间连线应清晰直观,尽量使用从左到右,自上而下的方式进行布局。而且要尽量避免不必要的弯曲连线,避免在结构边框下或重叠的对象之间进行连线,因为这些连线的部分连线段可能会被遮挡而影响程序的可读性。对于长距离的走线,应该添加文字注释。图2为框图走线整理前后对比:

 技术分享图片

图2:优化框图连线

图3中为长距离走线加上必要的文字注释:

技术分享图片 

图3:为长距离走线加上文字注释 

(3)为每一部分实现特定功能的框图结构添加有意义的注释,如图4所示,While循环、Case结构每一分支对应的使用场合:

技术分享图片

图4:为Case结构每一分支添加注释 

(4)给每个子VI一个明确的图标,并且在其属性的Documentation一栏描述该VI的用途。图标一般采取文字加图形的方式。图5为一些子VI示范图标:

技术分享图片 

图5:给每个子VI明确的图标

给每个VI的Documentation一栏加上描述信息,如下图所示:

 技术分享图片

图6:给VI添加描述信息

(5)在程序的适当位置添加错误处理,也可以对可预见的错误进行自定义,这样既增强程序的稳定性,也可以方便问题的快速定位和排查。尽量通过错误输入输出簇来控制代码的先后顺序,而避免使用顺序结构。图7表示在程序的各个不同功能部分添加自动错误处理:

 技术分享图片

图7:自动错误处理

图8表示对可预见的错误进行自定义错误处理:

 技术分享图片

图8 用户自定义错误处理

图9中用错误簇代替顺序结构来控制数据流的先后顺序:

技术分享图片

图9 用错误簇控制代码执行顺序

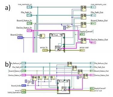
(6)尽量使主VI的框图简洁,当涉及到对主VI的前面板控件多处属性修改而占用较大框图面积时,通过传引用的方式将这一部分代码放在子VI中进行。如图9(a)中将Table控件的引用传入子VI,在子VI中修改Table控件属性如图9(b):

技术分享图片

 

(7)、优化VI运行性能。有几个常用的工具可以分析所编写程序的性能,如VI性能与内存使用工具(VI Performance and Memory)、显示缓冲区分配(Show Buffer allocations)、VI整体评估工具(VI Metrics),使用这些工具使你对编写的程序有一个整体的把握,如内存分配是否合理、前面板控件是否过多、是否使用了过多的属性结点、是否存在大数组的强制类型转换、是否某个子VI存在明显的耗时代码等等。

 技术分享图片

图10:VI性能与内存使用工具

技术分享图片 

图11:显示缓冲区分配

 技术分享图片

图12:VI评估工具

总结.

在一开始设计程序的时候就遵循一些良好的编程规范,那么程序的可读性和可维护性就会高得多,这将起到事半功倍的效果

还有一些LabVIEW编程规范,如簇的使用尽量采用严格自定义类型、避免程序框图过大超过整个屏幕、用条件For循环代替While循环、严格控制局部变量和全局变量的使用、避免GUI轮循等。合理使用这些编程规范,对于编写大型程序,提高程序的可读性和可维护性具有非常重要的意义

NI LabVIEW 编程规范

原文:https://www.cnblogs.com/ybqjymy/p/13665508.html

(0)
(0)
   
举报
评论 一句话评论(0
关于我们 - 联系我们 - 留言反馈 - 联系我们:wmxa8@hotmail.com
© 2014 bubuko.com 版权所有
打开技术之扣,分享程序人生!