现代集成电路的制造工艺越来越先进,但是在生产过程中的制造缺陷也越来越难以控制,甚至一颗小小的 PM2.5 就可能导致芯片报废,为了能有效的检测出生产中出现的废片,需要用到扫描链测试(scan chain),由此产生了可测性设计即 DFT flow。
注意scan test 只能检测出制造瑕疵,无法检测芯片功能瑕疵。
在芯片功能设计完成后,整个网表是由一堆普通的寄存器和组合逻辑构成的。扫描链的插入就是指将普通寄存器替换成为扫描寄存器(scan flip-flop)的过程。
SE scan enable为其切换信号。正常工作模式时,SE为0,这时scan FF的功能与原有的D-FF完全一致,data path 为D到Q。芯片的功能得以保持不变。当SE被切换为1时,这时候scan FF执行其scan属性,data path为SI到Q。SI即为测试时的数据流向入口。

Function SE=0 datapath:D->Q scan FF act as DFF
Scan SE=1 datapath: SI->Q Scan FF act as Scan
将片上的扫描寄存器Q-SI连接起来,就成为了扫描链。通过shift的方式可以由scan chain将数据串行输入的每个寄存器的SI端,达到控制每个寄存器的目的。在capture模式下,将芯片组合逻辑的反馈传回寄存器,达到对芯片内部观测的作用。

DFT 第一步是做 scan chain,首先将电路中的普通 DFF 换成 scan DFF:

scan DFF 是在原DFF 的输入端增加了一个 MUX,于是多了几个 pin :scan_in,scan_enable,scan_out
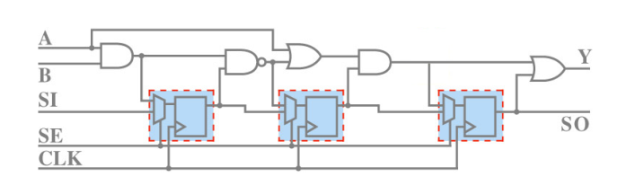
换完之后将所有的 scan DFF 首尾依次串接起来,就构成了一条 scan chain :

当 SE 信号(即 scan enable )有效时,电路进入scan 状态,此时数据通路如下图蓝色粗线所示:

当 SE 信号无效时,电路工作在 normal 状态,数据通路如下图红色粗线所示:

那么,这样一条 scan chain 是如何检测到电路中的缺陷呢?
简单来讲,scan chain 工作时分为三个步骤: load ····> capture ····> unload
load 是将input pattern 打入 scan chain
capture 是将每一级组合逻辑的结果打入下一级register
unload 是将scan chain 中的数据串行输出,得到 output pattern
下图是一个简单的 scan chain 工作原理示意图:

结合上图,可知scan mode 的工作步骤如下:
1. 将普通的 register 替换为 scan register
2. 将 scan register 首尾依次串接起来
3. 在 SE 有效拉高时,将 input pattern 串行打入scan register
4. 然后 SE 拉低,等 Reg/Q 的值经过组合逻辑运算后到达下一级 reg 的D 端
5. 再产生一个 capture pulse 将 D 端的值打入寄存器
6. 最后 SE 拉高,将 reg 中的值依次串行输出,得到 output pattern
7. 如果 output pattern 和预期的输出结果相同,说明电路工作正常
否则说明电路制造有问题,属于废片了
原文:https://www.cnblogs.com/hxing/p/15144097.html