概述:
MMU:内存管理单元
MMU功能:
1. 将虚拟地址转化为物理地址

2. 地址访问权限的管理
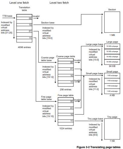
ARM系统支持3种类型的地址转化:
①段式转化(一个段大小为1MB)
②粗粒度页面转化(粗页转化)
③细粒度页面转化(细页转化)(一页一般为4K,16K,64K)
MMU要自动进行虚拟地址到物理地址的转化,首先要找到一级页表,而一级页表的基地址(TTB:translation table base)则是保存在CP15的C2寄存器中。因此,当程序员创建好相应的页表后,需要将页表的基地址写入到该寄存器中(MMU只进行虚拟地址到物理地址的转换,而 页表的创建 以及 将TTB写入CP15C2寄存器中 这两件事由程序员自己完成)。


个人对段式转化的分析总结:将虚拟地址的高12位作为索引在一级页表中找到相对应的表项,且这个表项的后2位为‘10’MMU才会把这次转化认为是段式转化。这个表项的高12位保存了段的物理基地址,后20位为相对于段基地址的偏移
即:段基地址 + 段偏移量 = 物理地址


如上面画的草图(此草图针对大小为4K的物理页分析,由虚拟地址后12位决定):虚拟地址的20~31位决定了一级页表的偏移,而这个一级页表表项后二位应为‘11’,并且保存有对应二级页表的基地址;虚拟地址的10~19位决定了二级页表的偏移,并且这个二级页表表项存放有对应物理地址的页基地址;虚拟地址的0~11为决定了物理地址的偏移,即:物理地址 = 物理基地址 + 偏移量
原文:http://www.cnblogs.com/zhangjianlaoda/p/4359306.html